 |
|
青州恒日金屬制品有限公司
電話:0536-2133230
傳真:0536-2137228
Email:master@hansing.com.cn
地址:青州市經濟開發區東京路1809號
網址:www.zhifutong168.com
郵編:262500
|
|
|
|
|
|


|
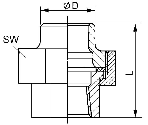
R |
1/8 |
1/4 |
3/8 |
1/2 |
3/4 |
1 |
|
DN |
6 |
8 |
10 |
15 |
20 |
25 |
|
SW |
29 |
29 |
34 |
39 |
47 |
58 |
|
L |
36.5 |
38 |
41.5 |
44.5 |
47.5 |
55 |
|
D |
10.2 |
13.5 |
17.2 |
21.5 |
27 |
34 |
|
R |
11/4 |
11/2 |
2 |
21/2 |
3 |
4 |
|
DN |
32 |
40 |
50 |
65 |
80 |
100 |
|
SW |
67 |
77 |
90 |
111 |
130 |
156 |
|
L |
59.5 |
64.5 |
71.5 |
84 |
93 |
115 |
|
D |
42.5 |
49 |
61 |
76.1 |
88.9 |
115.4 | |
|
|